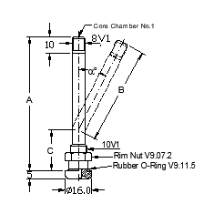
Truck V3-20 Series
The V3-20 Series Tubeless Truck Valve is designed for high-performance, tubeless truck tires.
₹ 100
Description
The V3-20 Series Tubeless Truck Valve is designed for high-performance, tubeless truck tires. Engineered for a secure, leak-proof seal, this valve helps maintain optimal air pressure, improving fuel efficiency and tire longevity. With durable construction and easy installation, the V3-20 series is built to withstand the rigors of heavy-duty truck operations, ensuring reliable performance across diverse road conditions.